抢先了解!
获取最新新闻和更新——订阅我们的资讯!
照明设计师和工程师
系统集成商
安装人员和批发商
闪亮生活,美好世界
Green Switch计算
客户案例
联系方式
招贤纳士
新闻和活动
官方 Philips 照明目录有了新家!
产品宣传单 pdf 394.4 kB
Product-Photographs-913710011113_EU ZIP
Product-Diagrams-913710011113_EU ZIP
产品描述
Philips SI 51 Plus
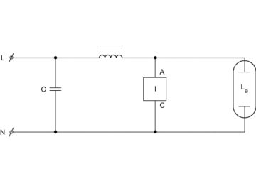
GDWD_IGHPI-Wiring diagram
Dimension Drawing (with table) - SI 51 Plus
Family
Product